Miembros
Ayuda
Productos
TODAS LAS CATEGORIAS
Detector de cianuro de potasio de bolsillo WD5 - Mini
Detector de cianuro de potasio de bolsillo WD5
Detector de hexafluoruro de azufre de bolsillo WD5 - Mini
Detector de cianuro de potasio por bombeo WD5 +.
Detector de ácido acético de bolsillo WD5 - Mini
Detector de ácido acético de aspiración de bomba WD5 +.
Detector de bromuro de metano por bombeo WD5 +.
Detector de hexafluoruro de azufre de bolsillo WD5
Detector de germano de bolsillo WD5 - Mini
Detector de bromuro de metano de bolsillo WD5 - Mini
Detector de dióxido de carbono de aspiración de bomba WD5 +.
Detector de gas de dióxido de carbono de bolsillo WD5
Detector de metanol de aspiración de bomba WD5 +.
Máquina automática de tapa giratoria de alta velocidad at - XG
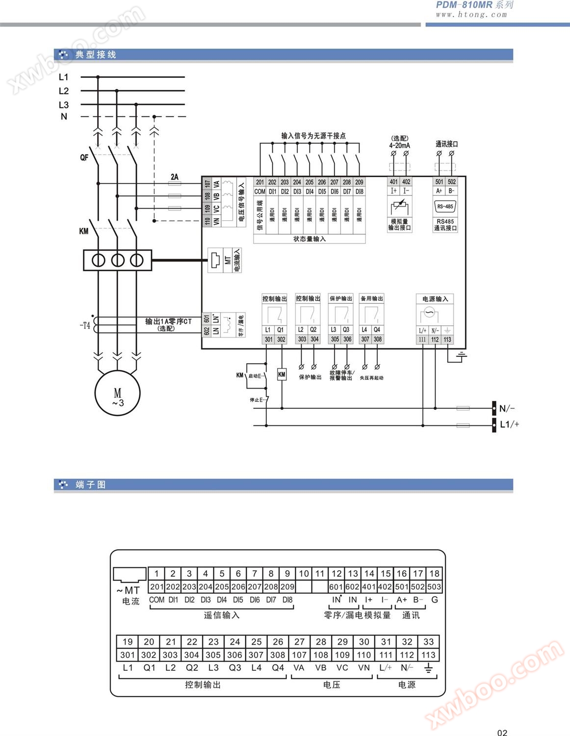
Controlador de protección del motor de baja tensión / PDM - 810mrc (h)
Unidad de congelación criogénica superpuesta binaria